提供纤维服务 服务纤维用户

400-067-1300

18016466531
当前位置: 首页 > 商城  > 按纤维成分 > 粘胶纤维

珍珠纤维

珍珠纤维是采用高科技手段将纳米级珍珠粉在粘胶纤维纺丝时加入纤维内,使纤维体内和外表均匀分布着纳米珍珠微粒,它既有珍珠养颜护肤功效,又有粘胶纤维吸湿透气、穿着舒适的特性,是一种健康环保的高档功能性纤维

珍珠纤维


一、珍珠纤维简介


 

珍珠纤维是采用高科技手段将纳米级珍珠粉在粘胶纤维纺丝时加入纤维内,使纤维体内和外表均匀分布着纳米珍珠微粒,它既有珍珠养颜护肤功效,又有粘胶纤维吸湿透气、穿着舒适的特性,是一种健康环保的高档功能性纤维。


 

二、珍珠纤维特点



1、嫩白肌肤

 

珍珠纤维上的纳米珍珠微粒与肌肤亲密接触后,汗液中的乳酸会溶出纤维中部分珍珠营养成分,通过皮肤被吸收,促进人体肌肤超氧化物歧化酶的活性,抑制黑色素的合成,保持皮肤白皙细腻。

 

 

2、养颜护肤

  

  珍珠纤维上的纳米珍珠微粒含有16种微量元素和18种氨基酸,可以抵抗紫外线,同时具有一定的抗氧化性,可以促进皮肤细胞的活性,润肤生肌,防止皮肤老化。



3、清火排毒


 珍珠生长在水中,性寒,可以产生负离子,去除自由基,具有清火败毒的功效,长期穿着珍珠纤维内衣可清除皮肤表面热痘毒,抑制皮肤肉瘤细胞,达到祛斑、除痘、抗肿瘤的功效。


4、吸湿排汗

 

纳米珍珠纤维的载体是纤维素纤维,它吸湿透气、柔软舒适,加入珍珠粉后纤维内部及表面均匀分布着珍珠纳米微粒,纤维手感光滑凉爽,外观亮丽,柔软悬垂。


5、天然耐用

 

纳米珍珠粉是由优质淡水珍珠经纯物理方法加工而成,纤维素由棉短绒提取,因此珍珠纤维不含任何化学性产品之有害物质,与肌肤有天然的亲和性。珍珠纳米微粒与纤维亲密结合,具有永久性,长期洗涤穿着不会脱落。珍珠耐碱不耐酸,碱性洗涤不伤毫发,珍珠内衣实乃穿着与洗涤之完美结合。

 

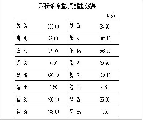
三、珍珠纤维参数




四、珍珠纤维前景



随着人们对健康、舒适纺织品需求的不断增长, 珍珠纤维作为一种优异的功能性纺织材料,市场前景十分广阔。珍珠纤维独特的保健功能和良好的服用性能, 不仅受到国内消费者的青睐,同时也受到日、美和欧盟等国外客商的密切关注。现在, 珍珠纤维内衣已销往法国、挪威、韩国、马来西亚等国家。我们相信, 不久的将来会有种类更加齐全的珍珠纤维纺织品投向国内外市场,以满足消费者的需求。而且随着技术的成熟和生产的规模化, 生产成本大幅度降低,市场潜力非常巨大。