麻赛尔纤维(Jutecell?)是山东海龙股份有限公司采用自行开发的专有技术,对天然植物纤维黄麻进行处理而制得的一种新型纤维素纤维。该纤维采用特殊工艺生产,除保持天然麻纤维原有的抑菌防霉、吸湿快干等特性外,还具有纤度及长度可根据纺织需求进
麻赛尔纤维
一、麻赛尔纤维简介
麻赛尔纤维(Jutecell?)是山东海龙股份有限公司采用自行开发的专有技术,对天然植物纤维黄麻进行处理而制得的一种新型纤维素纤维。该纤维采用特殊工艺生产,除保持天然麻纤维原有的抑菌防霉、吸湿快干等特性外,还具有纤度及长度可根据纺织需求进行调节的优点。

麻赛尔纤维因具有独特的截面形状,做成的织物具有手感滑爽、色泽亮丽、布面组织丰满,圆滑的特性。麻赛尔纤维是一种新型、健康、时尚、绿色环保、能够自然呼吸的生态纺织纤维。

二、麻赛尔纤维特性
· 以可再生的天然麻为原料,绿色环保。

· 具有类似原麻纤维的中空截面形状

· 具有天然的抑菌性,抗菌防霉。

· 亲肤性好、吸湿透气性优良、吸湿排湿性能好。



· 布面组织丰满圆润、手感滑爽、具有亮丽的光泽、健康时尚。

三、麻赛尔纤维指标
干强≥2.2cN/dtex
湿强≥1.1cN/dtex
干伸≥16%
规格:可根据客户需求进行定制。
四、麻赛尔抗菌性能
通标标准技术服务有限公司(SGS)测试报告
附图:检测报告(广州检测,染色后抗菌)

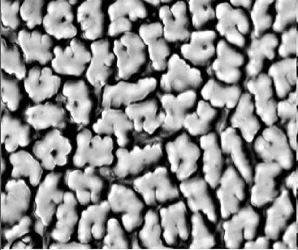
五、麻赛尔纤维截图

六、麻赛尔纤维应用
· 衣着纺织品:内衣、服装、高档西装面料;
· 家用纺织品:床单、床罩、沙发罩、窗帘、台布、桌布、餐巾、贴墙布等装饰用布;
· 医用非织造布:医院卫生用品,尿失禁病人专用尿布、三角裤等产品及绷带、面巾纸、伤口包扎材料等;
· 医用纺织品:医院病服、防护服等、医生套衫、手术帽、手术罩、手术巾、手术服、病床床单、枕头等。

